手机版
二维码
购物车
(
0
)
供应
求购
资讯
技术
铝企
铝才
问答
图库
推广
热搜:
铝型材
铝材
铝锭
铝
铝合金
工业铝材
门窗铝型材
铝棒
铝板
6061
首页
供应
求购
资讯
铝锭价格行情
技术
铝企
铝才
问答
图库
首页
>
求购
>
挤压铝材
>
门窗铝材
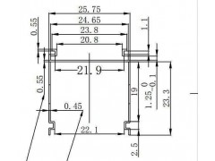
哪家可以生产下图所示0.45厚超薄铝材
点击图片查看原图
需求数量:
价格要求:
包装要求:
所在地:
上海
有效期至:
长期有效
最后更新:
2015-10-29 12:09
浏览次数:
495
公司基本资料信息
您还没有登录,请登录后查看详情
注意
:发布人未在本站注册,建议优先选择
铝财通会员
详细说明
哪家可以生产下图所示0.45厚超薄铝材
更多
>
同类求购
找幕墙工程铝材生产厂
找艺术大门铝材厂家
求购卫生间门铝材
找佛山成品门窗工厂做
找厂开模订制喷涂平开
谁有这款机叶铝型材
谁有这几款铝型材的
找如图所示方管铝型材
0
条
相关评论
网站首页
|
铝材QQ群大全
|
大沥著名铝企
|
铝锭手机短信
|
关于我们
|
联系方式
|
使用协议
|
版权隐私
|
网站地图
|
排名推广
|
广告服务
|
RSS订阅
|
违规举报
|
粤ICP备18150991号
|