手机版
二维码
购物车
(
0
)
供应
求购
资讯
技术
铝企
铝才
问答
图库
推广
热搜:
铝型材
铝材
铝锭
铝
铝合金
工业铝材
门窗铝型材
铝棒
铝板
6061
首页
供应
求购
资讯
铝锭价格行情
技术
铝企
铝才
问答
图库
首页
>
求购
>
挤压铝材
>
散热器铝材
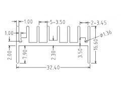
哪家有如图所示梳形散热器铝材
点击图片查看原图
需求数量:
价格要求:
包装要求:
所在地:
河南
有效期至:
长期有效
最后更新:
2017-02-23 19:55
浏览次数:
638
公司基本资料信息
您还没有登录,请登录后查看详情
注意
:发布人未在本站注册,建议优先选择
铝财通会员
详细说明
哪家有如图所示梳形散热器铝材,找现模
更多
>
同类求购
谁有这款类似散热器铝
找如图所示170*44mm的
谁有这款350mm*75mm的
谁有这款39.7*10.8的
找如图所示散热器铝型
谁有这款宽135的梳式
谁有这款散热器型材
找56.7*15mm的梳形散
0
条
相关评论
网站首页
|
铝材QQ群大全
|
大沥著名铝企
|
铝锭手机短信
|
关于我们
|
联系方式
|
使用协议
|
版权隐私
|
网站地图
|
排名推广
|
广告服务
|
RSS订阅
|
违规举报
|
粤ICP备18150991号
|